กลัวเร้าใจไม่พอ Toyota จดสิทธิบัตรเกียร์ธรรมดาสำหรับ EV
แม้สมรรถนะของรถยนต์ที่ขับด้วยมอเตอร์ไฟฟ้าจะดีงามจนน่าประทับใจ แต่ Toyota อาจรู้สึกว่าสิ่งนั้นยังไม่พอสำหรับนักขับที่โหยหาอารมณ์และความเพลิดเพลินจากการสับ เกียร์ธรรมดา แบบในรถยนต์เครื่องยนต์สันดาปที่หมุนช้ากว่าจนต้องอาศัยอัตราทดเกียร์

และเหตุผลนี้หรือเปล่าที่ทำให้ Toyota ต้องยื่นจดสิทธิบัตรเกียร์ธรรมดาในสหรัฐฯ เพื่อเพิ่มความเมามันในการขับขี่สำหรับรถยนต์ไฟฟ้า ซึ่งมันจะมีหน้าตาเหมือนเกียร์ธรรมดาสไตล์ดั้งเดิม คือมีคลัตช์ มีคันเกียร์ แต่กลไกการทำงานต่างกันสิ้นเชิงและไม่ต้องอาศัยอัตราทดเกียร์

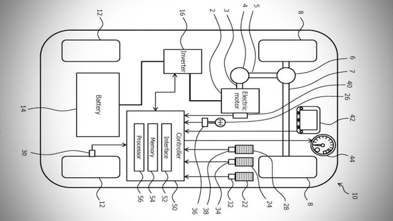
ทั้งนี้ จากภาพจดสิทธิบัตรเกียร์ธรรมดาสำหรับรถยนต์ไฟฟ้าของ Toyota จะเป็นการสร้างสถานการณ์เสมือน ที่จำลองบุคลิกการส่งแรงบิดจากมอเตอร์ไปยังล้อให้เหมือนกับเกียร์ธรรมดาในรถยนต์เครื่องยนต์สันดาปภายในเท่านั้น โดยการส่งแรงบิดจากมอเตอร์ไฟฟ้าจะถูกควบคุมผ่านหน่วยสั่งการแรงดันไฟฟ้าและสนามแม่เหล็ก ให้ไม่ราบรื่น ต่อเนื่อง มีจังหวะการเปลี่ยนเกียร์เหมือนเกียร์ธรรมดา

อย่างไรก็ตาม การยื่นจดสิทธิบัตรเกียร์ธรรมดาสำหรับรถยนต์ไฟฟ้าของ Toyota ก็อาจเป็นการยื่นจดทรัพย์สินทางปัญญาในฟีเจอร์ที่ตนเองริเริ่มคิดค้นเอาไว้เหมือนผู้ผลิตรถยนต์รายอื่น ๆ อีกหลายร้อย หลายพันรายการที่ทำกันมานานแล้ว ซึ่งอาจจะนำมาใช้จริงหรือไม่เลยก็ได้

เพราะในปัจจุบัน จริงสัดส่วนการขายรถยนต์เกียร์ธรรมดาในปัจจุบันนั้นมีไม่มากเมื่อเทียบกับรถยนต์เกียร์อัตโนมัติ แต่การที่ Toyota ยื่นจดสิทธิบัตรเกียร์ธรรมดาสำหรับรถยนต์ไฟฟ้าก็ไม่ใช่เรื่องน่าแปลกใจ
เพราะเกียร์ CVT ที่ถูกออกแบบมาแก้ไขอาการกระตุกในการเปลี่ยนอัตราทดของเกียร์อัตโนมัติ ด้วยการทำงานที่ราบเรียบ ลดการสูญเสียกำลัง พลังงาน ประหยัดพื้นที่ แต่สุดท้ายก็ต้องล็อกจังหวะการเปลี่ยนเกียร์มาให้อีก เนื่องจากมันไร้อารมณ์จนเกินไป

ดังนั้น หาก Toyota จะนำ “เทคนิคเกียร์ธรรมดาเสมือน” มาใช้กับรถยนต์ไฟฟ้าสำหรับรถยนต์บางรุ่นที่ต้องการเน้นการขับขี่มาก ๆ อย่างในรถสปอร์ตราคาสูงก็ไม่น่าจะเป็นเรื่องแปลก ถึงตอนนี้เราจะยังไม่รู้ว่ามันจะถูกนำมาใช้ในรถยนต์ที่ผลิตจำหน่ายจริงหรือเปล่าก็ตาม
ที่มา : insideevs.com